86-510-83720170 -8007
E-mail: lanhong@lhdz.com
 
 
 
 
 
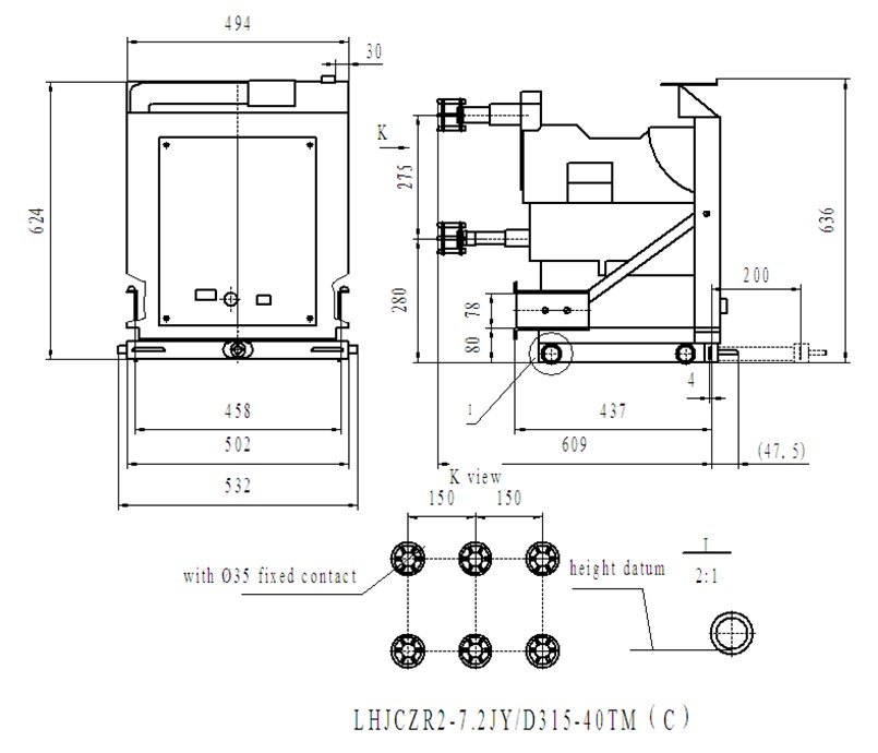
LHJCZR2-7.2DJY/D315-40TM(C)
LHJCZR2-12DJY/D200-40TM(C)

Removable type AC high voltage vacuum contactor—fuse composite apparatus
It is rated 7.2kV/315A、12kV/200A, phase spacing is 150mm, and pole spacing is 205mm. It can use mechanical holding type or electric holding type. The product is installed in the 650mm wide switchboard.

Name

Unit

Value

Main circuit

Rated working voltage (Ue)

kV

7.2

12

Rated working current (Ie)

A

400

400

Rated frequency (fr)

Hz

50~60

Rated making capacity

A

10Ie

Rated breaking capacity

A

8Ie

Rated short time withstand current

kA

6.3

Rated peak withstand current

kA

40

Rated short circuit duration

s

4

Rated anticipated short circuit breaking current (due to fuse)

kA

≤40

Power frequency withstand voltage

Between phases, phase to earth

kV

32

42

Vacuum breaks

kV

32

42

Lightening impulse withstand voltage

kV

60

75

Control circuit

Rated voltage1 (Us)

V

AC or DC. 110/220

Rated power (Ps)

Electric holding

VA

≤1000/100 (absorbing/holding)

Mechanical holding

VA

≤900/350 (closing/opening)

Auxiliary circuit

Form

 

6a+6b

Rated value

 

AC200V/5A

Control circuit, auxiliary circuit to earth power frequency withstand voltage

kV

2

Rated operating frequency

Long-term or mechanical holding type

time/h

300

Short-term

time/h

600

Mechanical endurance

10000 times

30

Electrical endurance

10000 times

10(AC-3)

Mechanical characteristics

Closing time

ms

≤150

Original opening time

ms

≤150(electric holding)

≤60(mechanical holding)

3-phase synchronism

ms

≤3

Closing tripping

ms

≤6

Remark: 1.rated control voltage can be made according to customer’s requirements.

 
 
 
 
  Copyright www.lhdz.com Wuxi Lanhong Electric Co., Ltd.